K值为试验力(F)与球径直径(D)的平方之比GB231一63《金属布氏硬度试验小法》中规定的K值为30102.5 种。修订后的CB231-84 中K值增加为30151052.5,1.251共7种(同时,球径过去10mm5 mm2.5mm,增加2mm和中1mm共计5 种)。不同K值的增加是为了将不同硬软和厚薄的材料区分得更细一些,便于对K值、试验力和球径进行更合理的选择。另 方面这种修订也与SO(国际标准化组织)标准中布氏硬度试验方法相一致。
进行布氏硬度检测时,对不同硬软的材料,应选用不同的K值,一般的规律是硬的材料飞值选用高;软的材料K值选用低,虽然K值从30到1 别很大但其目的主要是为硬、软差别的材料在进行检测时,使其乐人角(a)相近:使痕直径(d)能控制在 0.240.6D之间。K值选定后再根据试样的厚薄大小选用压头球径和检测力。
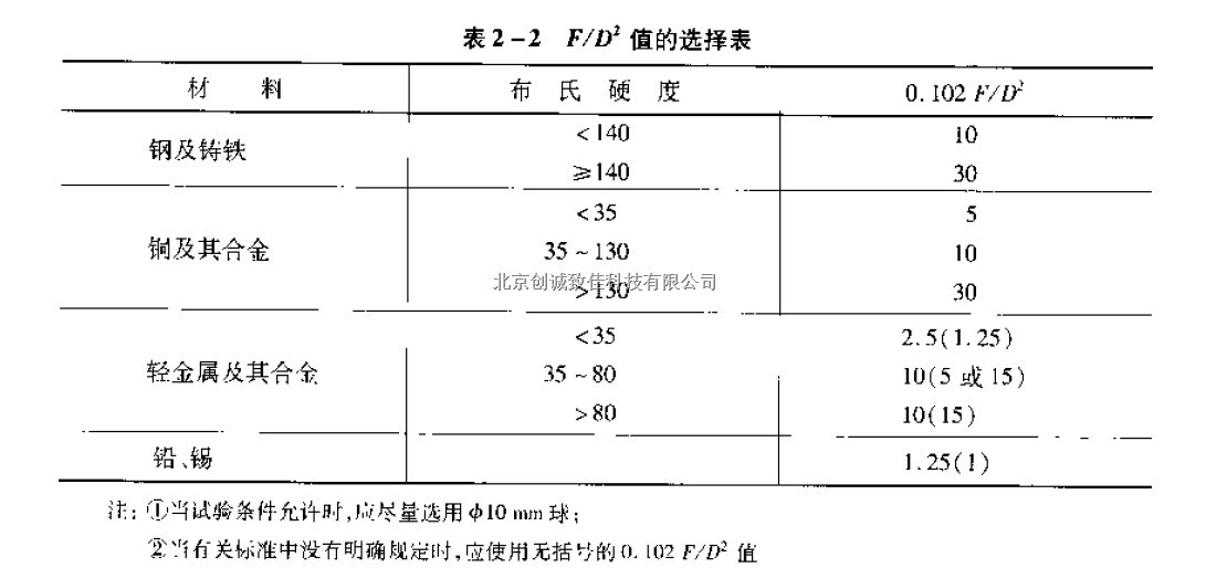
根据材料和布氏健度范围选择 F/D值见表2-2。

在进行布氏硬度检测时,一般在测得压痕直径d后,可查表得到 HB 硬度值。当d 小于钢球有径0.24D或人于0.6D时从表上不能得度值,这说明钢球直径和检测力的选用不合理,应重新选用 当d小于0.24D时,值(即F/D)应间增大方向选用;当d大F0.6D时,K值应向减小方向选用。笔者认为当小d很接近0.24D 或0.6D 时能从数值表上查出硬度值,为获得较准确结果,它应重新选用K 值,例如 ZC25MnCrNiMo钢,铸态经900C加热止火处理在670 C火后,值用10时钢球为5 mm检测力2452(250 kgl),测得d 为1.21 mm,查表度值为214 HBS,此时d为1.21 mm 相当于钢球占径0.242 D(太接近0.24 D)经重新选用K值为30后钢球直径为中10 mm检测为29.42kN(3000)kg)测得d值为4.19mm经查表为208 HBS,此时d为4.19mm 相当于042D,d 值处于024~06D中间位置其结果的可比性是较好的。K值现已出3 种增到7种合理选用可获得较准确测试结果。
北京创诚致佳科技有限公司是国内专业从事硬度计销售、选型及方案定制服务商,提供橡胶硬度计的报价和测试方案,主营产品有 进口硬度计,布氏硬度计,维氏硬度计,洛氏硬度计,显微硬度计,橡胶硬度计,赵氏硬度计,里氏硬度计。如需采购金相显微镜等产品,欢迎联系创诚致佳咨询价格。
联系我们: Tel: 400-0022-082, E-mail: info@hugetall.com 网站地图